Available now: PC boards for NCJ loop antenna article

Boards have soldermask and silkscreen legend

All components available from www.mouser.com except Amidon ferrite core

$25.00 for two PC boards: antenna board and controller board

$3.00 for Amidon FT82A-61 ferrite core

$175.00 for fully assembled and tested antenna box and controller box. Just add the loop and support structure

Add $5.00 per order for shipping and handling (USA addresses)

Shipping and handling for export orders will depend on destination charges

Send orders to:

Richard Karlquist

P O Box 5130

Galt, CA 95632

Email questions to: richard@karlquist.com

Bill of materials (Excel) Updated May 26, 2013

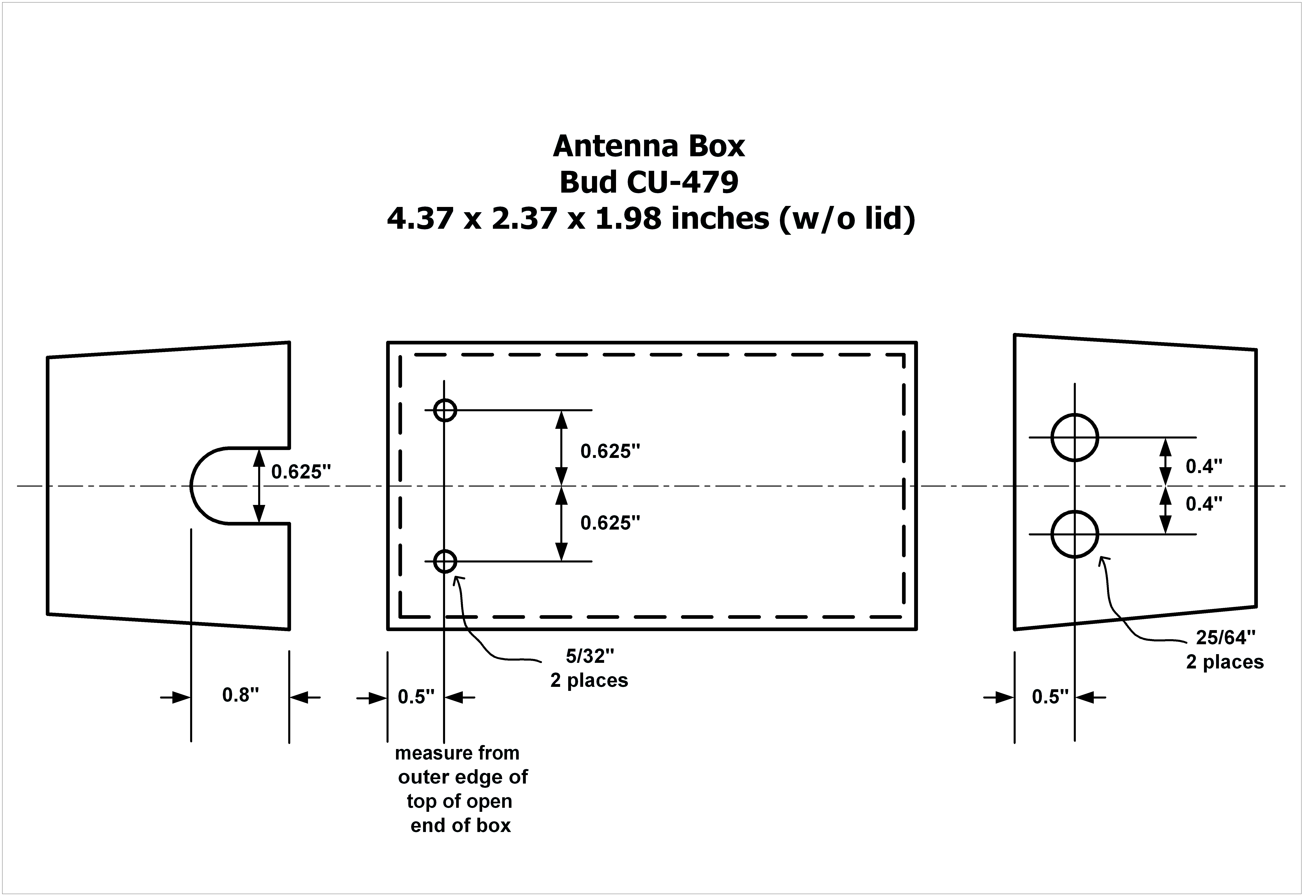
Mechanical drawing of antenna box updated May 26, 2013

Mechanical drawing of controller box updated May 26, 2013

Mechanical drawing of controller box lid updated May 26, 2013

Photos:

Antenna box mounted to PVC

Antenna broken down

Antenna box empty

Antenna box

Antenna box without lid

Antenna box without lid fixed tuned without transformer

Controller board bottom

Controller box

Controller box empty

Controller box without lid